32200 sorozat
  • 32200 sorozat
  • 32200 sorozat
Letöltés
Megosztani

Katalógus letöltése

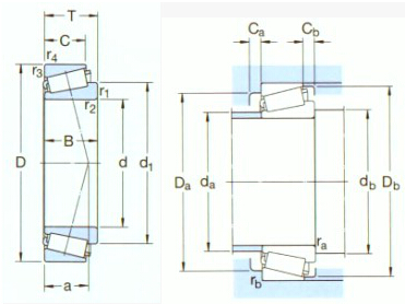
A kúpos görgőscsapágyak kúpos belső és külső futópályákkal és görgőkkel képesek kezelni az egyidejű radiális és tolóerőt. Axiális terhelhetőségük közvetlenül függ össze a görgők és a versenypálya tengelyének érintkezési szögével. 

Kaphatók egysoros, kétsoros és négysoros kivitelben. A kúpos görgőscsapágyak egyes részeit külön-külön, csészékként és kúpként adják el. A kúpok tartalmazzák a görgős egységet és a belső gyűrűt, míg a csészék a külső gyűrűt tartalmazzák. A teljes összeszerelési egységek tartalmazzák a poharat és a kúpot is. Elválasztható csapágyakként különböző kivitelű és méretűek állnak rendelkezésre a különféle alkalmazások befogadására.


>>
<<
Válassza a lehetőségetVizsgálatKijelölésFő méretek (mmAlap terhelési besorolás) KN) PuSebesség besorolás (rpm)Súly (kg)ISO335 Méretek (mm Támogatás és filé méretei (mm)Érték
d1DBdyc (Cr)stc (Cor)SebességértékelésekA sebesség korlátozásaMéretek (ABMA)dd1 ~BCr1,2 (perc)r3,4 (perc)ada (max)db (perc)Da (perc)Da (max)Db (perc)Ca (perc)Cb (perc)ra (max)rb (max)eYYo
32205BJ2/Q 25 52 19.25 41.5 44 4.65 10000 13000 0.19 5CD 25 40.2 18 15 1 1 16 30 31 41 46 50 3 4 1 1 0.57 1.05 0.6
322/28BJ2/Q 28 58 20.25 48 50 5.5 9500 12000 0.25 5DD 28 43.9 19 16 1 1 17 33 34 46 52 55 3 4 1 1 0.57 1.05 0.6
32206J2/Q 30 62 21.25 58.5 57 6.3 9000 11000 0.28 3DC 30 45.2 20 17 1 1 15 37 36 52 56 58 3 4 1 1 0.37 1.6 0.9
32206BJ2/QCL7CVA606 30 62 21.25 56 58.5 6.55 9000 11000 0.30 5DC 30 47.3 20 17 1 1 18 36 36 50 56 60 3 4 1 1 0.57 1.05 0.6
32207J2/Q 35 72 24.25 76.5 78 8.5 8000 9500 0.43 3DC 35 52.4 23 19 1.5 1.5 17 43 42 61 65 67 3 5 1.5 1.5 0.37 1.6 0.9
32208J2/Q 40 80 24.75 85 86.5 9.8 7000 8500 0.53 3DC 40 58.4 23 19 1.5 1.5 19 49 47 68 73 75 3 5.5 1.5 1.5 0.37 1.6 0.9
32208BJ2/Q 40 80 24.75 86.5 93 10.8 6700 8500 0.52 5DC 40 60.9 23 19 1.5 1.5 22 49 47 65 73 76 4 5.5 1.5 1.5 0.54 1.1 0.6
32209J2/Q 45 85 24.75 91.5 98 11 6300 8000 0.58 3DC 45 64 23 19 1.5 1.5 20 54 52 73 78 80 3 5.5 1.5 1.5 0.4 1.5 0.8
32210/45BJ2/QVB022 45 90 24.75 95 104 12.2 6000 8000 0.65 Baofu kastély 3 # 105 NO.180 Meifeng RD Gulou kerület Fuzhou, Kína, 45 68.5 23 19 1.5 0.3 21 58 52 78 87 85 3 5.5 1.5 0.3 0.6 1 0.6
32210J2/Q 50 90 24.75 95 100 11.4 6000 7500 0.61 3DC 50 68.5 23 19 1.5 1.5 21 58 57 78 83 85 3 5.5 1.5 1.5 0.43 1.4 0.8
32211J2/Q 55 100 26.75 106 129 15 5000 6700 0.83 3DC 55 75.2 25 21 2 1.5 22 64 64 87 93 95 4 5.5 2 1.5 0.4 1.5 0.8
32212J2/Q 60 110 29.75 146 160 18.6 5000 6000 1.15 3EC 60 81.9 28 24 2 1.5 24 69 68 95 103 104 4 5.5 2 1.5 0.4 1.5 0.8
32212BJ2/Q 60 110 29.75 140 156 19 4800 6000 1.15 Baofu kastély 3 # 105 NO.180 Meifeng RD Gulou kerület Fuzhou, Kína, 60 85.7 28 21 2 1.5 28 69 98 93 103 105 5 8.5 2 1.5 0.57 1.05 0.6
32213J2/Q 65 120 32.75 151 193 22.8 4000 5600 1.50 3EC 65 90.3 31 27 2 1.5 27 76 74 104 113 115 4 5.5 2 1.5 0.4 1.5 0.8
32214J2/Q 70 125 33.25 157 208 24.5 3800 5300 1.60 3EC 70 95 31 27 2 1.5 28 80 78 108 115 119 4 6 2 1.5 0.43 1.4 0.8
32215J2/Q 75 130 33.25 161 212 24.5 3600 5000 1.70 4DC 75 100 31 27 2 1.5 29 85 84 114 122 125 4 6 2 1.5 0.43 1.4 0.8
32216J2/Q 80 140 35.25 187 245 28.5 3400 4500 2.05 3EC 80 106 33 28 2.5 2 30 91 90 122 130 134 5 7 2 2 0.43 1.4 0.8
32217J2/Q 85 150 38.5 212 285 33.5 3200 4300 2.60 3EC 85 113 36 30 2.5 2 33 97 95 130 140 142 5 8.5 2 2 0.43 1.4 0.8
32218J2/Q 90 160 42.5 251 340 38 3000 4000 3.35 3FC 90 121 40 34 2.5 2 36 102 101 138 150 152 5 8.5 2 2 0.43 1.4 0.8
32219J2 95 170 45.5 281 390 43 2800 3800 4.05 3FC 95 128 43 37 3 2.5 39 109 107 145 158 161 5 8.5 2.5 2 0.43 1.4 0.8
Előző12Következő
>>
<<