ball bearing, stainless steel bearings, needle roller bearing, ceramic bearings
  • itthon
  • Vállalat
    • Profil
    • Felszerelés
    • Technológia
    • Minőség
  • Termékek
      • Golyóscsapágy

      • Minimális mélyhornyú golyóscsapágy
      • Egysoros mélyhornyú golyóscsapágy
      • Tológolyós csapágy
      • Szögletes érintkezésű golyóscsapágyak
      • Kétsoros mélyhornyú golyóscsapágyak
      • Vékony szakasz csapágyak
      • Rozsdamentes acél csapágyak

      • Rozsdamentes acél golyók
      • Rozsdamentes acél V-horony vezető kerekek
      • Rozsdamentes acél mélyhornyú golyóscsapágyak
      • Rozsdamentes acél szögletes érintkező golyóscsapágyak
      • Rozsdamentes acél önbeálló golyóscsapágyak
      • Rozsdamentes acél tolócsapágyak
      • Tűgörgős csapágy

      • Húzott csésze tűgörgős csapágyak
      • Nagy teherbírású tűgörgős csapágyak
      • Egyirányú tengelykapcsoló csapágyak
      • Tűgörgő és ketrec szerelvények
      • Tűgörgős tolócsapágyak
      • A tűgörgős csapágyak beállítása
      • Kerámia csapágyak

      • Kerámia önbeálló csapágyak
      • Kerámia karimás golyóscsapágyak
      • Kerámia labda
      • Kerámia alkatrészek
      • Kerámia mélyhornyú csapágyak
      • Kerámia tolócsapágyak
      • FRC Bearing Interchange Chart

      • Miniature bearings vs application
      • FRC Metric Miniature bearings vs Common brands
      • FRC Inch Miniature bearings vs Common brands
      • FRC Inch Miniature bearings with flanged vs Common brands
      • FRC Metric Miniature bearings with flanged vs Common brands
      • FRC MR series of Flanged vs Common brands
      • Dental Drill Handpiece Bearing

      • Other Size Of Dental Bearing
      • Low Speed Dental Bearing
      • Dental Bearing
      • Robot Bearings

      • Thin-walled Bearings For Robots
      • Cobot & Robot Bearings
      • Robot bearings
      • Chrome Series
      • Stainless Series
      • Ceramic Series
  • Alkalmazás
    • Bearing specification and application comparision
    • Görkorcsolya
    • Kerékpár
    • Motor
    • Fogászati ​​fúró
    • Horgászfelszerelés
    • Yo-yo
    • Hangszerelés
    • Orvosi műszerek
    • BRUSHLESS MOTOR EMQ BEARING
    • MICRO NITRO BUGGY ENGINE FRONT REAR BEARING FOR MO
    • HIGH PRECISION FPV MINI RC QUADCOPTER BEARING RC D
    • HIGH PERFORMANCE SKATEBOARD BEARING 608 8X22X7 MM
    • FREERUN IS A SPECIALIZED MANUFACTURER OF RC CAR & TRUCK BEARING.
  • Értékesítési központ
  • Inventory
  • hírek
    • Vállalati hírek
    • Events&Knowledge
    • Ipari hírek
  • Lépjen kapcsolatba velünk
    • Online vizsgálat
    • Hogyan rendeljen
    • Visszaküldési és csere irányelvek
  • Nyelv
    • angol
    • kínai
    • japán
    • orosz
    • spanyol
    • német
    • Francia
    • héber
    • román
    • görög
    • dán
    • Magyar
    • norvég
    • finn
    • holland
    • svéd
    • szlovák
    • szlovén
    • hindi
    • indonéz
    • maláj
    • máltai
    • Haiti kreol
    • katalán
    • bengáli
    • szerb
    • üzbég
    • koreai
    • ír
    • cseh
    • horvát
    • ukrán
    • Bosnyák
    • perzsa
    • olasz
    • Thai
    • litván
    • lett
    • észt
    • portugál
    • török
    • vietnami
    • arab
    • Hmong
    • bolgár
    • urdu
    • Icelandic
    • Polish
    • Welsh

52-es sorozat

itthon >> Katalógusok >> Golyóscsapágy >> Kétsoros, szögletes érintkezésű golyóscsapágyak >> 52-es sorozat
Minden termék
  • Golyóscsapágy
    • Egysoros mélyhornyú golyóscsapágy
      • R sorozat
        • 6000-es sorozat
          • 6200 sorozat
            • 6300 sorozat
              • 6400 sorozat
                • 6700 sorozat
                  • 6800 sorozat
                    • 6900 sorozat
                      • 1600-as sorozat
                        • RLS sorozat
                          • 16000 sorozat
                            • Inch mélyhoronyú golyóscsapágy
                              • RMS sorozat
                                • W6200 sorozat
                                  • W6300 sorozat
                                  • Kétsoros mélyhornyú golyóscsapágyak
                                    • 4200 sorozat
                                      • 4300 sorozat
                                      • Minimális mélyhornyú golyóscsapágy
                                        • Metrikus sorozat
                                          • 60-as sorozat
                                            • 62-es sorozat
                                              • 63-as sorozat
                                                • 68-as sorozat
                                                  • 69-es sorozat
                                                    • MR sorozat
                                                    • Karimás sorozat
                                                      • MF / F sorozat
                                                        • FR sorozat
                                                          • Kiterjesztett sorozat
                                                        • Vékony szakasz csapágyak
                                                          • Inch sorozat
                                                            • Hüvelyk méretű, vékony szekció nyitott csapágyak
                                                              • Hüvelyk méretű vékony szekcióval ellátott tömített csapágyak
                                                                • Vékony szekcionált csapágyak
                                                                  • Rozsdamentes acél vékony szakasz csapágyak
                                                                  • Metrikus sorozat
                                                                    • 6700, 6800, 6900 sorozat
                                                                      • ET & ER sorozat
                                                                        • Ultra Slim Extra sorozat
                                                                      • Szögletes érintkezésű golyóscsapágyak
                                                                        • Egysoros, szögletes érintkezésű golyóscsapágyak
                                                                          • 7000 sorozat
                                                                            • 7200 sorozat
                                                                              • 7300 sorozat
                                                                                • 7900 sorozat
                                                                                  • Szuper precíziós nagysebességű sorozat
                                                                                  • Kétsoros, szögletes érintkezésű golyóscsapágyak
                                                                                    • 52-es sorozat
                                                                                      • 53-as sorozat
                                                                                      • Orsó szuper precíziós nagy sebességű, szögletes érintkező golyóscsapágyak
                                                                                        • Miniatűr sarokérintkezős golyóscsapágyak
                                                                                        • Tológolyós csapágy
                                                                                          • Miniatűr tolócsapágyak
                                                                                            • Metrikus méret
                                                                                              • Hüvelyk méret
                                                                                              • 51100 sorozat
                                                                                                • 51200 sorozat
                                                                                                  • 51300 sorozat
                                                                                                    • 51400 sorozat
                                                                                                  • Kerámia csapágyak
                                                                                                    • Kerámia mélyhornyú csapágyak
                                                                                                      • Hüvelyk méret
                                                                                                        • Metirc méret
                                                                                                        • Kerámia tolócsapágyak
                                                                                                          • Kerámia önbeálló csapágyak
                                                                                                            • Kerámia szögletes csapágyak
                                                                                                              • Kerámia karimás golyóscsapágyak
                                                                                                                • Kerámia labda
                                                                                                                  • Kerámia alkatrészek
                                                                                                                    • Kerámia fix alap
                                                                                                                      • Kerámia szilícium-karbid U horonyhenger
                                                                                                                        • Kerámia karimás hüvely
                                                                                                                          • Kerámia szilícium-nitrid alap
                                                                                                                            • Kerámia cirkónium perselyek és védőhüvelyek
                                                                                                                              • Kerámia szilícium-nitrid kar összekötő rúd
                                                                                                                                • Kerámia szilícium-nitrid külső gyűrű V-horonyos tárcsával
                                                                                                                                  • Kerámia keverő bár
                                                                                                                                    • Kerámia szilícium-nitrid csavarok, anyák, csavarok
                                                                                                                                      • Kerámia cirkónium perselyek és ujjak
                                                                                                                                        • Kerámia szilícium-nitrid gőzfúvóka
                                                                                                                                          • Kerámia cirkónia lapok és tömbök
                                                                                                                                            • Kerámia cirkónia gyűrű
                                                                                                                                              • Kerámia szilícium-nitrid karimás tengellyel
                                                                                                                                                • Kerámia cirkónia rudak
                                                                                                                                                  • Kerámia hüvely
                                                                                                                                                    • Kerámia cirkónia kerék
                                                                                                                                                      • Kerámia cirkónium fúvóka
                                                                                                                                                    • Tűgörgős csapágy
                                                                                                                                                      • Húzott csésze tűgörgős csapágyak
                                                                                                                                                        • HK sorozat
                                                                                                                                                          • HK ... RS sorozat
                                                                                                                                                            • HK..2RS sorozat
                                                                                                                                                              • HN sorozat
                                                                                                                                                                • SCE sorozat
                                                                                                                                                                  • SCE ..- P sorozat
                                                                                                                                                                    • SCE ..- PP sorozat
                                                                                                                                                                      • SCH sorozat
                                                                                                                                                                        • SCH ..- P sorozat
                                                                                                                                                                          • SCH ..- PP sorozat
                                                                                                                                                                            • BK sorozat
                                                                                                                                                                              • BK ..- RS sorozat
                                                                                                                                                                                • BCE sorozat
                                                                                                                                                                                  • Ie ..- P sorozat
                                                                                                                                                                                    • BCH sorozat
                                                                                                                                                                                      • BCH ..- P sorozat
                                                                                                                                                                                      • Nagy teherbírású tűgörgős csapágyak
                                                                                                                                                                                        • NK sorozat
                                                                                                                                                                                          • NKS sorozat
                                                                                                                                                                                            • RNA49 sorozat
                                                                                                                                                                                              • RNA48 sorozat
                                                                                                                                                                                                • RNA69 sorozat
                                                                                                                                                                                                  • RNA49 ..- RSR sorozat
                                                                                                                                                                                                    • RNA49 ..- 2RSR sorozat
                                                                                                                                                                                                      • NKI sorozat
                                                                                                                                                                                                        • NKIS sorozat
                                                                                                                                                                                                          • NA49 sorozat
                                                                                                                                                                                                            • NA48 sorozat
                                                                                                                                                                                                              • NA69 sorozat
                                                                                                                                                                                                                • NA49 ..- RSR sorozat
                                                                                                                                                                                                                  • NA49 ..- 2RSR sorozat
                                                                                                                                                                                                                    • NAO sorozat
                                                                                                                                                                                                                      • NAO ..- ZW-ASR1 sorozat
                                                                                                                                                                                                                        • RNAO sorozat
                                                                                                                                                                                                                          • RNAO ..- ZW-ASR1 sorozat
                                                                                                                                                                                                                            • NCS sorozat
                                                                                                                                                                                                                            • Egyirányú tengelykapcsoló csapágyak
                                                                                                                                                                                                                              • HF sorozat
                                                                                                                                                                                                                                • HF ..- KF sorozat
                                                                                                                                                                                                                                  • HF ..- KF-R sorozat
                                                                                                                                                                                                                                    • HF ..- R sorozat
                                                                                                                                                                                                                                      • HFL sorozat
                                                                                                                                                                                                                                        • HFL ..- KF sorozat
                                                                                                                                                                                                                                          • HFL ..- KF-R sorozat
                                                                                                                                                                                                                                            • HFL ..- R sorozat
                                                                                                                                                                                                                                            • Tűgörgő és ketrec szerelvények
                                                                                                                                                                                                                                              • K sorozat
                                                                                                                                                                                                                                                • K ..- ZW sorozat
                                                                                                                                                                                                                                                  • C sorozat
                                                                                                                                                                                                                                                  • Tűgörgős tolócsapágyak
                                                                                                                                                                                                                                                    • AXK sorozat
                                                                                                                                                                                                                                                      • AXW sorozat
                                                                                                                                                                                                                                                        • TC sorozat
                                                                                                                                                                                                                                                        • A tűgörgős csapágyak beállítása
                                                                                                                                                                                                                                                          • RPNA sorozat
                                                                                                                                                                                                                                                            • PNA sorozat
                                                                                                                                                                                                                                                            • Belső gyűrűk
                                                                                                                                                                                                                                                              • IR sorozat
                                                                                                                                                                                                                                                                • IR ..- IS1 sorozat
                                                                                                                                                                                                                                                                  • LR sorozat
                                                                                                                                                                                                                                                                    • PI sorozat
                                                                                                                                                                                                                                                                    • Laza tűgörgők
                                                                                                                                                                                                                                                                      • Pálya görgők
                                                                                                                                                                                                                                                                        • Yoke típusú lánctalpas hengerek
                                                                                                                                                                                                                                                                          • RSTO sorozat
                                                                                                                                                                                                                                                                            • STO sorozat
                                                                                                                                                                                                                                                                              • RNA22 ..- 2RSR sorozat
                                                                                                                                                                                                                                                                                • NA22 ..- 2RSR sorozat
                                                                                                                                                                                                                                                                                  • NATR ..- PP sorozat
                                                                                                                                                                                                                                                                                    • NATV ..- PP sorozat
                                                                                                                                                                                                                                                                                      • NATR sorozat
                                                                                                                                                                                                                                                                                        • NATV sorozat
                                                                                                                                                                                                                                                                                          • NUTR sorozat
                                                                                                                                                                                                                                                                                            • PWTR ..- 2RS sorozat
                                                                                                                                                                                                                                                                                              • NNTR ..- 2ZL sorozat
                                                                                                                                                                                                                                                                                              • Stud típusú pálya görgők
                                                                                                                                                                                                                                                                                                • KR ..- PP sorozat
                                                                                                                                                                                                                                                                                                  • KR sorozat
                                                                                                                                                                                                                                                                                                    • KRE ..- PP sorozat
                                                                                                                                                                                                                                                                                                      • KRV ..- PP sorozat
                                                                                                                                                                                                                                                                                                        • NUKR sorozat
                                                                                                                                                                                                                                                                                                          • NUKRE sorozat
                                                                                                                                                                                                                                                                                                            • PWKR ..- 2RS sorozat
                                                                                                                                                                                                                                                                                                              • PWKRE ..- 2RS sorozat
                                                                                                                                                                                                                                                                                                          • Rozsdamentes acél csapágyak
                                                                                                                                                                                                                                                                                                            • Rozsdamentes acél mélyhornyú golyóscsapágyak
                                                                                                                                                                                                                                                                                                              • Rozsdamentes acél önbeálló golyóscsapágyak
                                                                                                                                                                                                                                                                                                                • Rozsdamentes acél tolócsapágyak
                                                                                                                                                                                                                                                                                                                  • Rozsdamentes acél szögletes érintkező golyóscsapágyak
                                                                                                                                                                                                                                                                                                                    • Rozsdamentes acélra szerelt egységek, párnaelemek, házba szerelt csapágyak és betétek
                                                                                                                                                                                                                                                                                                                      • SSUCP sorozat
                                                                                                                                                                                                                                                                                                                        • SSUCPA sorozat
                                                                                                                                                                                                                                                                                                                          • SSUCF sorozat
                                                                                                                                                                                                                                                                                                                            • SSUCFB sorozat
                                                                                                                                                                                                                                                                                                                              • SSUCFC sorozat
                                                                                                                                                                                                                                                                                                                                • SSUCFL sorozat
                                                                                                                                                                                                                                                                                                                                  • SSUCT sorozat
                                                                                                                                                                                                                                                                                                                                    • SSUC sorozat
                                                                                                                                                                                                                                                                                                                                      • SSSB sorozat
                                                                                                                                                                                                                                                                                                                                        • SSCSB sorozat
                                                                                                                                                                                                                                                                                                                                        • Rozsdamentes acél gömb alakú siklócsapágyak és rúdvégek
                                                                                                                                                                                                                                                                                                                                          • SPHS sorozat
                                                                                                                                                                                                                                                                                                                                            • SPOS sorozat
                                                                                                                                                                                                                                                                                                                                              • SPHS..EC sorozat
                                                                                                                                                                                                                                                                                                                                                • SPHSB..EC sorozat
                                                                                                                                                                                                                                                                                                                                                  • SPOS..EC sorozat
                                                                                                                                                                                                                                                                                                                                                    • SPOSB..EC sorozat
                                                                                                                                                                                                                                                                                                                                                      • SCHS sorozat
                                                                                                                                                                                                                                                                                                                                                        • SCOS sorozat
                                                                                                                                                                                                                                                                                                                                                          • SJF-T sorozat
                                                                                                                                                                                                                                                                                                                                                            • SJM-T sorozat
                                                                                                                                                                                                                                                                                                                                                              • SCOM sorozat
                                                                                                                                                                                                                                                                                                                                                                • WSSB, WSSB-V sorozat
                                                                                                                                                                                                                                                                                                                                                                  • NSSB, NSSB-V sorozat
                                                                                                                                                                                                                                                                                                                                                                    • YSSB, YSSB-V sorozat
                                                                                                                                                                                                                                                                                                                                                                      • SGE..C sorozat
                                                                                                                                                                                                                                                                                                                                                                        • SGE..ET-2RS sorozat
                                                                                                                                                                                                                                                                                                                                                                          • SGE..E sorozat
                                                                                                                                                                                                                                                                                                                                                                            • SGE..ES sorozat
                                                                                                                                                                                                                                                                                                                                                                              • SGE..ES-2RS sorozat
                                                                                                                                                                                                                                                                                                                                                                              • Rozsdamentes acél bütyökkövetők és hengerek
                                                                                                                                                                                                                                                                                                                                                                                • Rozsdamentes acél járom stílusú standard követők
                                                                                                                                                                                                                                                                                                                                                                                  • Rozsdamentes acél csapstílusú standard bütyökkövetők
                                                                                                                                                                                                                                                                                                                                                                                  • Rozsdamentes acél V-horony vezető kerekek
                                                                                                                                                                                                                                                                                                                                                                                    • Rozsdamentes acél golyók
                                                                                                                                                                                                                                                                                                                                                                                    • Kúpos görgőscsapágy
                                                                                                                                                                                                                                                                                                                                                                                      • Hüvelykes kúpos görgőscsapágy
                                                                                                                                                                                                                                                                                                                                                                                        • Metrikus méretek kúpos görgőscsapágyak
                                                                                                                                                                                                                                                                                                                                                                                          • 30200 sorozat
                                                                                                                                                                                                                                                                                                                                                                                            • 30300 sorozat
                                                                                                                                                                                                                                                                                                                                                                                              • 32200 sorozat
                                                                                                                                                                                                                                                                                                                                                                                                • 32300 sorozat
                                                                                                                                                                                                                                                                                                                                                                                                  • 31300 sorozat
                                                                                                                                                                                                                                                                                                                                                                                                    • 32000 sorozat
                                                                                                                                                                                                                                                                                                                                                                                                      • 33000 sorozat
                                                                                                                                                                                                                                                                                                                                                                                                        • 33200 sorozat
                                                                                                                                                                                                                                                                                                                                                                                                          • 33100 sorozat
                                                                                                                                                                                                                                                                                                                                                                                                        kiterjedtebb keresés
                                                                                                                                                                                                                                                                                                                                                                                                        • Tárgy
                                                                                                                                                                                                                                                                                                                                                                                                        • 2D rajz
                                                                                                                                                                                                                                                                                                                                                                                                        52-es sorozat
                                                                                                                                                                                                                                                                                                                                                                                                        52-es sorozat
                                                                                                                                                                                                                                                                                                                                                                                                        52-es sorozat
                                                                                                                                                                                                                                                                                                                                                                                                        • 52-es sorozat
                                                                                                                                                                                                                                                                                                                                                                                                        • 52-es sorozat
                                                                                                                                                                                                                                                                                                                                                                                                        Letöltés
                                                                                                                                                                                                                                                                                                                                                                                                        • PDF
                                                                                                                                                                                                                                                                                                                                                                                                        • Tárgy
                                                                                                                                                                                                                                                                                                                                                                                                        • 2D rajz
                                                                                                                                                                                                                                                                                                                                                                                                        Lépjen kapcsolatba velünk
                                                                                                                                                                                                                                                                                                                                                                                                        • support@freerun-bearing.com
                                                                                                                                                                                                                                                                                                                                                                                                        • Tel:0086-591-88280372
                                                                                                                                                                                                                                                                                                                                                                                                        Megosztani

                                                                                                                                                                                                                                                                                                                                                                                                        Katalógus letöltése

                                                                                                                                                                                                                                                                                                                                                                                                        • Keresés specifikáció szerint
                                                                                                                                                                                                                                                                                                                                                                                                        • Kérjen árajánlatot
                                                                                                                                                                                                                                                                                                                                                                                                        • Hasonlítsa össze az elemeket
                                                                                                                                                                                                                                                                                                                                                                                                        >>
                                                                                                                                                                                                                                                                                                                                                                                                        <<
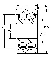
                                                                                                                                                                                                                                                                                                                                                                                                        Válassza a lehetőségetVizsgálatTermék számCsapágy típusaFurat Dia (d)Külső dia (D)Szélesség (B)Dinamikus terhelés besorolásaStatikus terhelés besorolása
                                                                                                                                                                                                                                                                                                                                                                                                        (Cr) (Newton)(Cor) (Newton)
                                                                                                                                                                                                                                                                                                                                                                                                        5200 Nyisd ki 10 mm 30mm 14.287mm 7.15 3.9
                                                                                                                                                                                                                                                                                                                                                                                                        5200zz Árnyékolt 10 mm 30mm 14.287mm 7.15 3.9
                                                                                                                                                                                                                                                                                                                                                                                                        5200-2RS Zárt 10 mm 30mm 14.287mm 7.15 3.9
                                                                                                                                                                                                                                                                                                                                                                                                        5201 Nyisd ki 12 mm  32mm 15,875 mm 10.6 5.85
                                                                                                                                                                                                                                                                                                                                                                                                        5201zz Árnyékolt 12 mm  32mm 15,875 mm 10.6 5.85
                                                                                                                                                                                                                                                                                                                                                                                                        5201-2RS Zárt 12 mm  32mm 15,875 mm 10.6 5.85
                                                                                                                                                                                                                                                                                                                                                                                                        5202 Nyisd ki 15 mm 3,5 mm 15,875 mm 11.7 6.95
                                                                                                                                                                                                                                                                                                                                                                                                        5202zz Árnyékolt 15 mm 3,5 mm 15,875 mm 11.7 6.95
                                                                                                                                                                                                                                                                                                                                                                                                        5202-2RS Zárt 15 mm 3,5 mm 15,875 mm 11.7 6.95
                                                                                                                                                                                                                                                                                                                                                                                                        5203 Nyisd ki 17 mm 40mm 17,462 mm 14.8 9
                                                                                                                                                                                                                                                                                                                                                                                                        5203zz Árnyékolt 17 mm 40mm 17,462 mm 14.8 9
                                                                                                                                                                                                                                                                                                                                                                                                        5203-2RS Zárt 17 mm 40mm 17,462 mm 14.8 9
                                                                                                                                                                                                                                                                                                                                                                                                        5204 Nyisd ki 20 mm 47mm 20,638 mm 19.5 12.2
                                                                                                                                                                                                                                                                                                                                                                                                        5204zz Árnyékolt 20 mm 47mm 20,638 mm 19.5 12.2
                                                                                                                                                                                                                                                                                                                                                                                                        5204-2RS Zárt 20 mm 47mm 20,638 mm 19.5 12.2
                                                                                                                                                                                                                                                                                                                                                                                                        5205 Nyisd ki 25 mm 52mm 20,638 mm 21.2 14.6
                                                                                                                                                                                                                                                                                                                                                                                                        5205zz Árnyékolt 25 mm 52mm 20,638 mm 21.2 14.6
                                                                                                                                                                                                                                                                                                                                                                                                        5205-2RS Zárt 25 mm 52mm 20,638 mm 21.2 14.6
                                                                                                                                                                                                                                                                                                                                                                                                        5206 Nyisd ki 30 mm 62mm 23,812 mm 29.6 21.2
                                                                                                                                                                                                                                                                                                                                                                                                        5206zz Árnyékolt 30 mm 62mm 23,812 mm 29.6 21.2
                                                                                                                                                                                                                                                                                                                                                                                                        Előző1234Következő
                                                                                                                                                                                                                                                                                                                                                                                                        >>
                                                                                                                                                                                                                                                                                                                                                                                                        <<
                                                                                                                                                                                                                                                                                                                                                                                                        KÜLDJE MEG KÉRDÉST!
                                                                                                                                                                                                                                                                                                                                                                                                        GYORS LINKEK
                                                                                                                                                                                                                                                                                                                                                                                                        • itthon
                                                                                                                                                                                                                                                                                                                                                                                                        • Vállalat
                                                                                                                                                                                                                                                                                                                                                                                                        • Termékek
                                                                                                                                                                                                                                                                                                                                                                                                        • Alkalmazás
                                                                                                                                                                                                                                                                                                                                                                                                        • Értékesítési központ
                                                                                                                                                                                                                                                                                                                                                                                                        • Inventory
                                                                                                                                                                                                                                                                                                                                                                                                        • hírek
                                                                                                                                                                                                                                                                                                                                                                                                        • Lépjen kapcsolatba velünk
                                                                                                                                                                                                                                                                                                                                                                                                        Cím
                                                                                                                                                                                                                                                                                                                                                                                                        Telefonszám

                                                                                                                                                                                                                                                                                                                                                                                                        0086-591-88280372

                                                                                                                                                                                                                                                                                                                                                                                                        Email cím

                                                                                                                                                                                                                                                                                                                                                                                                        Email : support@freerun-bearing.com

                                                                                                                                                                                                                                                                                                                                                                                                        Elhelyezkedés

                                                                                                                                                                                                                                                                                                                                                                                                        Baofu Mansion 3#105 NO.180 Meifeng RD Gulou District Fuzhou China Tel : 0086-591-88280372

                                                                                                                                                                                                                                                                                                                                                                                                        Copyright © 2025 FreeRun Bearing Co.,Ltd All rights reserved. 闽ICP备15001783号-2