33100 sorozat
itthon >> Katalógusok >> Kúpos görgőscsapágy >> Metrikus méretek kúpos görgőscsapágyak >> 33100 sorozat
Lépjen kapcsolatba velünk
Megosztani
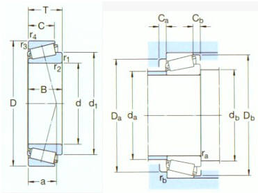
A kúpos görgőscsapágyak kúpos belső és külső futópályákkal és görgőkkel képesek kezelni az egyidejű radiális és tolóerőt. Axiális terhelhetőségük közvetlenül függ össze a görgők és a versenypálya tengelyének érintkezési szögével.
Kaphatók egysoros, kétsoros és négysoros kivitelben. A kúpos görgőscsapágyak egyes részeit külön-külön, csészékként és kúpként adják el. A kúpok tartalmazzák a görgős egységet és a belső gyűrűt, míg a csészék a külső gyűrűt tartalmazzák. A teljes összeszerelési egységek tartalmazzák a poharat és a kúpot is. Elválasztható csapágyakként különböző kivitelű és méretűek állnak rendelkezésre a különféle alkalmazások befogadására.
>>
<<
>>
<<

